Nano Active Coating Treatment

Nova Implants offers enhanced Nano Active procedure for coating treatment that improves the surface of medical system implants.

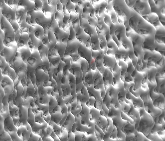
The Nano Active procedure complies with CE and FDA regulation that turns the thin natural oxide film at the implant surface to be thicker through a spark discharge that makes the implant surface and the oxide layer integral parts of the base material while keeping the implant dimensions close to the original ones.
 
Contact us for more information
Nova Implants Medical Devices & Development Ltd. is a young, innovative, expanding high-tech production and research company